電話:0713-2115858
0713-2115868
電話:0713-2115858
0713-2115868

產品性能:
適用于交流50~60Hz;AC380V;DC220V;電流3~5安的控制電路中,將機械運動轉變成電氣信號,作為機床、機械自動控制限制運動機構動作或自動化程序控制之用。
正常工作在海拔2500m;環(huán)境溫度-25℃+40℃;周圍環(huán)境濕度90%;操作頻率1200次/小時;防護等級IP65。
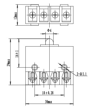
結構形式和特點:
元件,接線在內側面,能自動復位
鋤頭對數:
NC 1 NO 1